Доброе время суток, товарищи!
Интересуюсь таким вопросом:
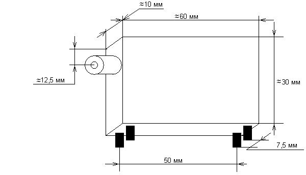
Что такое и как называется экранированная металлическая коробочка размерами приблизительно 60 х 30 х 10 мм с четырьмя контактами, расположенными на узкой ее стороне и расстояние между ними 7,5 мм на узкой стороне и 50 мм на длинной? В этот девайс встроено гнездо для коаксиалного кабеля (антенны), а в нем у меня трещина, и вообще оно разворочено, поэтому телик показывает неважно.
Буду признателен, если кто-то подскажет, где взять или подгонит. Модель теливизора сообщу, как до дела дойдет.
Ходил на Радар, говорят, что надо искать по восскресеньям, и что название этому зверю - тюнер. А я в Вс не могу, потому прошу помощи.
Выглядит это чудо примерно так:
Всем заранее спасибо!




Тема:
Ответить с цитированием

Социальные закладки