Результаты опроса: Холодильник какой фирмы Вы предпочитаете(ценовая категория до 1000у.е.)

Голосовавшие
148. Вы ещё не голосовали в этом опросе
  • Ardo

    3 2.03%
  • Ariston

    6 4.05%
  • Atlant

    2 1.35%
  • Beko

    0 0%
  • Bosch

    27 18.24%
  • Candy

    0 0%
  • Daewoo

    0 0%
  • Elektrolux

    13 8.78%
  • Gorenje

    0 0%
  • Haier

    0 0%
  • Indesit

    5 3.38%
  • Kaiser

    1 0.68%
  • LG

    11 7.43%
  • Liebherr

    34 22.97%
  • NORD

    4 2.70%
  • Samsung

    15 10.14%
  • Sharp

    5 3.38%
  • Snaige

    4 2.70%
  • Vestfrost

    4 2.70%
  • Whirlpool

    23 15.54%
Опрос с выбором нескольких вариантов ответа.

Тема: Холодильник

Ответить в теме
Страница 295 из 571 ПерваяПервая ... 195 245 285 293 294 295 296 297 305 345 395 ... ПоследняяПоследняя
Показано с 5,881 по 5,900 из 11408
  1. Вверх #5881
    Новичок
    Пол
    Мужской
    Сообщений
    44
    Репутация
    16
    Цитата Сообщение от Йети_Одесса Посмотреть сообщение
    есть, но я б не брал
    А какой Liebcherr CBN*** вы порекомендуете? Где-то читал, что в моделях выпущенных после 2013-2014 года утечка в запенке устранена?


  2. Вверх #5882
    Старожил форума
    Аватар для NeMo
    Пол
    Мужской
    Адрес
    forum.od.ua
    Сообщений
    30,099
    Репутация
    8973
    Цитата Сообщение от gerdarii Посмотреть сообщение

    Нужен до 60 см шириной, но обязательно с большой морозилкой ,фрост, что наиболее достойно внимания в плане надежности? спасибо
    59,5 см в Вашем случае является условием "до 60 см"? Потому как машины с шириной 54-55 см сложно назвать надёжными.

  3. Вверх #5883
    Посетитель Аватар для Йети_Одесса
    Пол
    Мужской
    Адрес
    Одесса
    Возраст
    48
    Сообщений
    494
    Репутация
    116
    Цитата Сообщение от oldswan Посмотреть сообщение
    А какой Liebcherr CBN*** вы порекомендуете? Где-то читал, что в моделях выпущенных после 2013-2014 года утечка в запенке устранена?
    Так и есть. Так и раньше немного тех утечек было. В основном утечки были на соединениях трубок, сами трубки качественные. А выбор на ваше усмотрение и предпочтения. Эти холодильники достаточно надежны, что электроника, что компрессоры, что другие компоненты. Например вентиляторы в морозилках НоФрост все время попадались made in SWISS фирмы MES. Я их не менял, просто проверял и обратил внимание.

  4. Вверх #5884
    Посетитель Аватар для Йети_Одесса
    Пол
    Мужской
    Адрес
    Одесса
    Возраст
    48
    Сообщений
    494
    Репутация
    116
    Потому как машины с шириной 54-55 см сложно назвать надёжными.
    А почему? Агрегаты то те же самые, только ящик другой.

  5. Вверх #5885
    Старожил форума
    Аватар для NeMo
    Пол
    Мужской
    Адрес
    forum.od.ua
    Сообщений
    30,099
    Репутация
    8973
    Цитата Сообщение от Йети_Одесса Посмотреть сообщение
    А почему? Агрегаты то те же самые, только ящик другой.
    Дело не только в агрегатах. Дело в качестве материалов, и в компонентах машины, в электронике, в качестве сборки. Дело в том, что в эту ширину попадают холодильники бюджетного сегмента. Там, конечно тоже есть свои исключения. Например простецкие Liebherr серии CU или CUN.

  6. Вверх #5886
    Не покидает форум Аватар для СтасюлЯ
    Пол
    Женский
    Сообщений
    21,995
    Репутация
    12440
    Подскажите, какие сейчас холодильники удачные))) Нужен двухкамерный, морозилка внизу, Высота 2000-2100, ширина 60.
    Whirlpool, SAMSUNG, Bosch, Electrolux, LG, AEG. Кого сразу вычеркнуть из списка? Цена до 800 уе.
    По качеству пластика внутри понравились Bosch и SAMSUNG. Другие еще не смотрели. И что лучше, No Frost (Frost Free) Что такое Full No Frost?

  7. Вверх #5887
    Старожил форума
    Аватар для NeMo
    Пол
    Мужской
    Адрес
    forum.od.ua
    Сообщений
    30,099
    Репутация
    8973
    Цитата Сообщение от стасюля
    И что лучше, No Frost (Frost Free) Что такое Full No Frost?
    Лучше комбинированнная автоматика:
    В морозильной камере NoFrost, в холодильной - капельная автоматика.
    Такие модели есть у WHIRLPOOL, LIEBHERR, ELECTROLUX. У остальных
    из списка такого нет. Предпочёл бы в этом ценовом сегменте выбирать
    из WHIRLPOOL.

  8. Вверх #5888
    Постоялец форума
    Пол
    Мужской
    Возраст
    41
    Сообщений
    1,843
    Репутация
    168
    Цитата Сообщение от Йети_Одесса Посмотреть сообщение
    Ни разу не соглашусь. Для одного и того же фреона на разных холодильниках давление в испарителе, оно же на всасывающей линии должно быть одинаково, так как давление зависит от температуры кипения фреона. А температура кипения фреона в холодильниках выводится где-то на -25оС. Есть такая штука, как линейка холодильщика.
    Одинаковым не получается ,так как в ноуфросте на испаритель дует вентилятор ,больше нагрузка на компрессор соответсвенно шумнее работает .

  9. Вверх #5889
    Постоялец форума
    Пол
    Мужской
    Возраст
    41
    Сообщений
    1,843
    Репутация
    168
    Цитата Сообщение от NeMo Посмотреть сообщение
    Лучше комбинированнная автоматика:
    В морозильной камере NoFrost, в холодильной - капельная автоматика.
    Такие модели есть у WHIRLPOOL, LIEBHERR, ELECTROLUX. У остальных
    из списка такого нет. Предпочёл бы в этом ценовом сегменте выбирать
    из WHIRLPOOL.
    В плане надежности оно не лучше ,стальная или алюменивая трубка со временем течет ! Вот если бы делали испаритель из меди то тогда да , но производитель сейчас на всем экономит ((((

  10. Вверх #5890
    Постоялец форума
    Пол
    Мужской
    Возраст
    41
    Сообщений
    1,843
    Репутация
    168
    Цитата Сообщение от Йети_Одесса Посмотреть сообщение
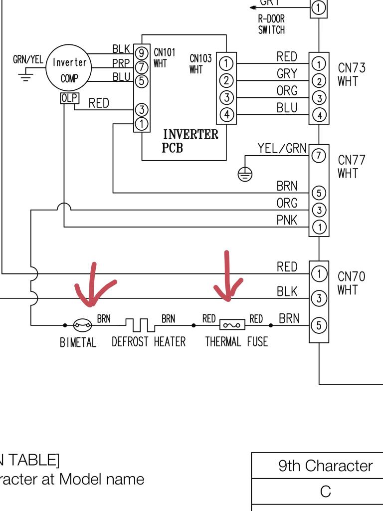
    Флагманы по сгоревшим ТЭНам на испарителе.
    Ниразу не слышал , посмотрите мануал ,там стоит термопредохранитель, плюс биметал.
    Изображения
    • Тип файла: jpg image.jpg (77.3 Кб, Просмотров: 21)
    Последний раз редактировалось stiv21; 31.05.2015 в 16:10.

  11. Вверх #5891
    Постоялец форума
    Пол
    Мужской
    Возраст
    41
    Сообщений
    1,843
    Репутация
    168
    Цитата Сообщение от стасюля Посмотреть сообщение
    Подскажите, какие сейчас холодильники удачные))) Нужен двухкамерный, морозилка внизу, Высота 2000-2100, ширина 60.
    Whirlpool, SAMSUNG, Bosch, Electrolux, LG, AEG. Кого сразу вычеркнуть из списка? Цена до 800 уе.
    По качеству пластика внутри понравились Bosch и SAMSUNG. Другие еще не смотрели.
    Samsung RB37J5220SA ,Samsung RL50RUBSW1

    И что лучше, No Frost (Frost Free) Что такое Full No Frost?

    Здесь почитайте http://technouz.com.ua/p/sistemi-ohlazhdeniya-no-frost-i-frost-free--chto-j

  12. Вверх #5892
    Новичок
    Пол
    Мужской
    Сообщений
    44
    Репутация
    16
    Цитата Сообщение от stiv21 Посмотреть сообщение
    ... посмотрите мануал ...
    А Вы не могли бы выложить часть схемы где реализована защита от превышения напряжения, или всю схему в личку? Интересно проанализировать какое там получается быстродействие отключения электроники от источника напряжения.

  13. Вверх #5893
    Постоялец форума
    Пол
    Мужской
    Возраст
    41
    Сообщений
    1,843
    Репутация
    168
    Цитата Сообщение от oldswan Посмотреть сообщение
    А Вы не могли бы выложить часть схемы где реализована защита от превышения напряжения, или всю схему в личку? Интересно проанализировать какое там получается быстродействие отключения электроники от источника напряжения.
    Принципиальная схема есть в юзер мануале, 29 страница http://downloadcenter.samsung.com/content/UM/201402/20140219151214218/DA68-02945E-3-RU.pdf
    Подробная схема в сервис мануале , обычно такая у сервисных рабочий , для общего просмотра она недоступна .

  14. Вверх #5894
    Посетитель Аватар для Did Moros
    Пол
    Мужской
    Адрес
    ODESA,UKRAINE.
    Сообщений
    498
    Репутация
    246
    Сообщение от Йети_Одесса
    Флагманы по сгоревшим ТЭНам на испарителе.
    Ниразу не слышал , посмотрите мануал ,там стоит термопредохранитель, плюс биметал.
    Миниатюры
    Темнеменее горят тены,не так шоб каждый , но всё же пока поменяешь тен все руки об ламельки порежешь, в перчатках така работа делаеца.

  15. Вверх #5895
    Посетитель
    Пол
    Женский
    Возраст
    48
    Сообщений
    255
    Репутация
    60
    Цитата Сообщение от NeMo Посмотреть сообщение
    59,5 см в Вашем случае является условием "до 60 см"? Потому как машины с шириной 54-55 см сложно назвать надёжными.
    У меня между стеной и кухонным столом ширина 65 см, туда и надо впихнуть максимально высокий и с большой морозилкой холодильник,да еще желательно такой что бы не возиться с ручной разморозкой, помогите определиться с выбором конкретной модели, спасибо.

  16. Вверх #5896
    Постоялец форума
    Пол
    Мужской
    Возраст
    41
    Сообщений
    1,843
    Репутация
    168
    Цитата Сообщение от Did Moroz Посмотреть сообщение
    Темнеменее горят тены,не так шоб каждый , но всё же пока поменяешь тен все руки об ламельки порежешь, в перчатках така работа делаеца.
    Не обязательно ставить оригинал ,можно поставить от LG
    http://allcold.zakupka.com/p/3086197-ten-no-frost-lg-5300jr1006-b/

  17. Вверх #5897
    Постоялец форума
    Пол
    Мужской
    Возраст
    41
    Сообщений
    1,843
    Репутация
    168
    Цитата Сообщение от gerdarii Посмотреть сообщение
    У меня между стеной и кухонным столом ширина 65 см, туда и надо впихнуть максимально высокий и с большой морозилкой холодильник,да еще желательно такой что бы не возиться с ручной разморозкой, помогите определиться с выбором конкретной модели, спасибо.
    Samsung RB37J5220SA ,Samsung RL50RUBSW1

  18. Вверх #5898
    Не покидает форум Аватар для taras80
    Пол
    Мужской
    Адрес
    УКРАЇНА
    Сообщений
    10,733
    Репутация
    2051
    Цитата Сообщение от gerdarii Посмотреть сообщение
    У меня между стеной и кухонным столом ширина 65 см, туда и надо впихнуть максимально высокий и с большой морозилкой холодильник,да еще желательно такой что бы не возиться с ручной разморозкой, помогите определиться с выбором конкретной модели, спасибо.
    У меня между кухонным столом и стенкой вообще 63 см осталось - замерщики кухни провтыкали неровность угла, из-за чего вылезла небольшая проблема с угловой тумбой - она выдвинулась на пару см вперед и тем самым съела место под холодильник. Но в оставшиеся 63 я спокойно вместил бош с нулевым зазором - открытием двери, с каждой стороны осталось по 1,5 см - и все отлично. Если у Вас 65 см - возьмите себе обычный 60 но-фрост 190-200 см от лж, самсунга, бош - все зависит от бюджета, конечно, они туда станут. Морозилки у них 91-94 литра, размораживать не нужно.
    Более точно помодельно сказать можно, если уточните цвет аппарата, примерный бюджет. Потому как, например, центовая политика этого года что у лыж что у самсунгов для многих клиентов странная - аппараты 190 см крутятся в пределах 12-13 тыс, а вот двухметровики за счет 10 см уже добавляют 30-40% к стоимости.

  19. Вверх #5899
    Посетитель
    Пол
    Женский
    Возраст
    48
    Сообщений
    255
    Репутация
    60
    Цитата Сообщение от taras80 Посмотреть сообщение
    У меня между кухонным столом и стенкой вообще 63 см осталось - замерщики кухни провтыкали неровность угла, из-за чего вылезла небольшая проблема с угловой тумбой - она выдвинулась на пару см вперед и тем самым съела место под холодильник. Но в оставшиеся 63 я спокойно вместил бош с нулевым зазором - открытием двери, с каждой стороны осталось по 1,5 см - и все отлично. Если у Вас 65 см - возьмите себе обычный 60 но-фрост 190-200 см от лж, самсунга, бош - все зависит от бюджета, конечно, они туда станут. Морозилки у них 91-94 литра, размораживать не нужно.
    Более точно помодельно сказать можно, если уточните цвет аппарата, примерный бюджет. Потому как, например, центовая политика этого года что у лыж что у самсунгов для многих клиентов странная - аппараты 190 см крутятся в пределах 12-13 тыс, а вот двухметровики за счет 10 см уже добавляют 30-40% к стоимости.
    А что посоветуете из холод с морозилкой 94, шириной 60 , высота190 см , до 15 тыс, цвет не принципиально, разве что не черный

  20. Вверх #5900
    Не покидает форум Аватар для taras80
    Пол
    Мужской
    Адрес
    УКРАЇНА
    Сообщений
    10,733
    Репутация
    2051
    Цитата Сообщение от gerdarii Посмотреть сообщение
    А что посоветуете из холод с морозилкой 94, шириной 60 , высота190 см , до 15 тыс, цвет не принципиально, разве что не черный
    У корейцев самсунга серии RL 48 или поляков от LG серии 469 морозилки 92 и 91 литр соответственно. Они ростом 190 см. Есть у самсунга серия RB31 - там объем морозилки 98 литров, но зато за счет меньшей высоты - 185 см против 190 имеем на 19-20 литров меньший объем холодильного отделения, что в целом заметно. Если принципиального значения не имеет разница 6-7 литров в морозилке, посмотрите из чистого но-фроста вот эти модели
    Серебро
    LG GW-B469BLQW - Польша, 190 см, объем 227/91 литр, раздельное управление камерами аппарата, внешняя барная ручка, дисплей на двери аппарата, складная полка - слайдер для размещения высокой посуды, бутылок и тп. Покрытие - нержавейка + лак. Глянец.
    LG GW-B469SSCW - Польша, 190 см, объем 227/91 литр, раздельное управление камерами аппарата, интегрированная ручка - карман, дисплей внутри аппарата, складная полка - слайдер для размещения высокой посуды, бутылок и тп. Покрытие - чистая нержавейка.
    Белый цвет
    LG GW-B469BQCP - Польша, 190 см, объем 227/91 литр, раздельное управление камерами аппарата, внешняя барная ручка, дисплей внутри аппарата, нет складной полки, Зона 0 Fresh.
    LG GW-B469SQCW - Польша, 190 см, объем 227/91 литр, раздельное управление камерами аппарата, интегрированная ручка - карман, дисплей внутри аппарата, складная полка - слайдер для размещения высокой посуды, бутылок и тп.

    У самсунга вариантов в 190 см тоже несколько, есть в бежевом цвете аппараты
    Ростом 190 см
    Samsung RL48RLBSW - Корея, 190 см, объем 230/92 литра, общее управление камерами аппарата с индикацией на индикаторах, интегрированная ручка - карман. Белый.
    Samsung RL48RLBMG - Корея, 190 см, объем 230/92 литра, общее управление камерами аппарата с индикацией на индикаторах, интегрированная ручка - карман. Серебро + лак.

    Ростом 190 см + так называемая нулевая зона
    Samsung RL-48 RRCMG
    Samsung RL-48 RRCIH
    Samsung RL-48 RRCVB
    Данные аппараты идентичны, управление раздельное с дисплеем на двери, барные внешние ручки, нулевая зона, отличия в цвете - пара оттенков серебристого цвета и бежевый.
    ___________
    ___________

    +- 1000-1500 грн будет аппарат с 200 см высотой.


Ответить в теме
Страница 295 из 571 ПерваяПервая ... 195 245 285 293 294 295 296 297 305 345 395 ... ПоследняяПоследняя

Метки этой темы

Социальные закладки

Социальные закладки

Ваши права

  • Вы не можете создавать новые темы
  • Вы не можете отвечать в темах
  • Вы не можете прикреплять вложения
  • Вы не можете редактировать свои сообщения